138F Einsteck-Fallenschloss für Rohrrahmentüren
Slider überspringen Einsteck-Fallenschloss für Rohrrahmentüren
- DIN Richtung: DL / DR
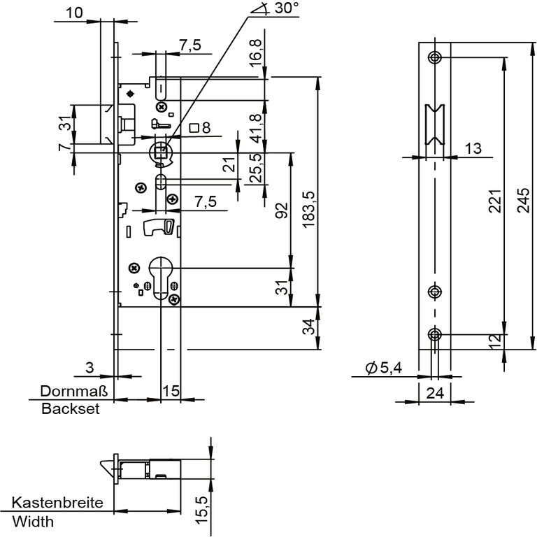
- Entfernung: 92 mm
- Verwendung: Rohrrahmentüren aus Aluminium und Stahl
- Wechselfunktion: Ja
- Zertifiziert nach EN 12209: Ja
Verwendung Rohrrahmentüren aus Aluminium und Stahl
Zertifiziert nach EN 12209 Ja
| DIN Richtung | DL / DR |
| Dornmaß | 25, 30, 35, 40, 45 mm |
| Entfernung | 92 mm |
| Falle umlegbar | Ja, Auslieferung in DL |
| Fallenart | Prismafalle |
| Fallenausschluss | 10 mm |
| Flachstulp (Standardausführung) | 24 x 3 mm |
| Hinterdornmaß | 15 mm |
| Hinweis U-Stulp | Alle U-Stulpen werden mit Endkappen geliefert, Bei U-Stulpen ändert sich das Dornmaß um -1 mm |
| Kastenbreite | Dornmaß + 15 mm |
| Kastenhöhe | 183,5 mm |
| Kastenmaterial | Stahl verzinkt |
| Kastentiefe | 15,5 mm |
| Nussdrehwinkel | 30° |
| Nussvierkant | 8, 9, 10 mm |
| Richtungsangabe erforderlich | Nein |
| Stulplängen | 245 mm |
| Stulpmaterial | Edelstahl rostfrei / Eisen verzinkt |
| U-Stulp (Standardausführung) | 24 x 6 mm |
| Wechselfunktion | Ja |
| Zylinderlochung | Profilzylinder / Schweizer Rundzylinder |
| Serie | 138F |
9
Ergebnisse gefundenAnzeigen pro Seite
| Beschreibung | Sprache | Dateigröße | Dateityp | |
|---|---|---|---|---|
| Prospekt Rohrrahmenschlösser | de | 5.59 MB | Download | |
| Prüfzeugnis nach EN 12209 | de | 263.57 KB | Download | |
| Prüfzeugnis nach EN 12209 | pl | 263.57 KB | Download | |
| VdS Anerkennung - Einbruchmeldeanlagen der Klasse C | pl | 1.30 MB | Download | |
| VdS Anerkennung - Einbruchmeldeanlagen der Klasse C | de | 1.30 MB | Download | |
| Montageanleitung Falle umlegen | de | 560.57 KB | Download | |
| Montageanleitung Falle umlegen | pl | 560.57 KB | Download | |
| 138f-produktfoto.png | 71.38 KB | png | Download | |
| 138f-techzeichnung.png | 80.15 KB | png | Download |
| Falle vorstehend (optional) | 3 mm / 5 mm |
| Flachstulp (Sonderausführung) | 16 x 3, 20 x 3, 22 x 3 mm |
| Nussüberwachung (inkl. 8 m Kabel) | Optional |
| U-Stulp (Sonderausführung) | 22 x 6 mm |



